| Sign In | Join Free | My uabig.com |
|
Brand Name : IKP
Model Number : PQ27
Certification : CE/UL/REACH/ROHS
Place of Origin : CHINA
MOQ : 1000
Price : 0.008-0.2
Payment Terms : L/C, T/T
Supply Ability : 100,000/week
Delivery Time : 10-15 days
Packaging Details : Carton
Advantages:
1.Low Loss: During operation, the energy loss of the core is minimal. This means that in the process of electric energy conversion, it can reduce energy loss, improve the efficiency of energy utilization, and help reduce the power consumption and operating costs of the equipment.
2.Low Temperature Rise: Due to the low loss, less heat is generated, so the temperature rise of the core is lower. This is not only beneficial for maintaining the stable performance of the equipment and reducing the risk of failure due to overheating, but also can extend the service life of the equipment.
3.Good Anti-interference Performance: It has good anti-electromagnetic interference ability and can work stably in complex electromagnetic environments. At the same time, it is not easy to interfere with other electronic components, ensuring the normal operation of electronic equipment.
4.Reasonable Shape: The PQ-type shape design makes its space utilization rate high. Under the same volume, it can provide a larger magnetic circuit area, thus increasing the magnetic flux and magnetic field intensity and enhancing the performance of the core.
5.Wide Power Range: It is suitable for a wide range of power ratings, ranging from tens of watts to thousands of watts, and can meet the needs of equipment with different power levels.
6.Effectively Reduce Installation Volume: Compared with some other core structures, the PQ-type core can effectively reduce the volume of transformers and other devices without sacrificing performance, which is very important for electronic equipment with strict space size requirements.
7.Convenient Winding and Wiring: The core is equipped with multiple pins, which provides convenience for coil winding and connection, and reduces the assembly difficulty and cost in the production process.
8.Low Assembly Cost: The material cost is relatively low, and the processing and manufacturing technology is relatively simple, so it can effectively control the cost in large-scale production, thereby having certain advantages in market competition.
9.Easy to Meet Safety Regulations: In the design and production process, it is easier to meet relevant safety regulations and standards, ensuring the quality and safety of products.
Application Fields:
1.Network Communication Field: Such as power filter inductors and transformers in network communication equipment such as network switches and routers. The PQ-type manganese-zinc power ferrite core can effectively suppress electromagnetic interference and ensure the stability and accuracy of signal transmission.
2.Power Supply Field: As the core of the power transformer in switching power supplies to achieve voltage conversion and electric energy transmission, improve the conversion efficiency and stability of the power supply. It can also be used in power filter circuits to reduce power ripple and lower electromagnetic interference.
3.Electrical Appliances Field: Used in various household appliances such as TVs, air conditioners, refrigerators, etc. For example, in power adapters and chargers, it provides stable power supply and good electromagnetic compatibility.
4.Medical Field: In medical equipment such as ECG machines, monitors, and nuclear magnetic resonance instruments, the PQ-type manganese-zinc power ferrite core can be used in power circuits and sensor circuits to ensure high-precision and reliable operation of the equipment.
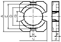
Fig.1 Fig.2 Fig.3 Fig.4

Fig.5 Fig.6 Fig.7

Fig.8 Fig.9
| Specification | Figure | Dimension(mm) | Effective parameter | Inductor coefficient AL(nH/N2) | Weight | |||||||||
| A | B | C | D/D1/D2 | E | F | G | Ae | Le | Ve | BP44 | BP95 | (grams/pair) | ||
| (mm2) | (mm) | (mm3) | ||||||||||||
| PQ20/16 | 1 | 20.6±0.40 | 8.3±0.15 | 14.0±0.40 | 8.8±0.20 | 18.00 min | 5.5±0.2 | 13.0 min | 56.00 | 39.10 | 2189.6 | 3200±25% | 4000±25% | 13.60 |
| PQ20/20 | 1 | 20.6±0.40 | 10.5±0.15 | 14.0±0.40 | 8.8±0.20 | 18.00 min | 7.7±0.2 | 13.0 min | 56.20 | 47.85 | 2689.17 | 2600±25% | 3300±25% | 16.00 |
| PQ20/12-1 | 1 | 20.5±0.40 | 6.0±0.15 | 14.0±0.40 | 8.8±0.20 | 17.60 min | 3±0.15 | 12.0 min | 57.22 | 29.70 | 1699.43 | 3800±25% | 4600±25% | 12.60 |
| PQ20/12.8-4 | 1 | 20.7±0.40 | 6.45±0.15 | 14.1±0.40 | 8.85±0.20 | 17.80 min | 3.9±0.2 | 12.8 min | 57.93 | 32.08 | 1858.39 | 2900±25% | 3800±25% | 12.20 |
| PQ20/20F | 1 | 20.5±0.40 | 10.1±0.15 | 14.0±0.40 | 8.80±0.20 | 18.0±0.40 | 7.15±0.2 | 12.0 min | 61.00 | 45.60 | 2781.6 | 2700±25% | 3500±25% | 16.80 |
| PQ20.8/20 | 1 | 20.8±0.40 | 10.55±0.15 | 13.8±0.35 | 8.80±0.20 | 18.4 min | 7.5±0.2 | 14.5 min | 57.10 | 47.90 | 2735.09 | 2500±25% | 3200±25% | 18.60 |
| PQ21/16 | 1 | 21.3±0.40 | 8.3±0.15 | 14.0±0.40 | 8.8±0.20 | 18.70 min | 5.5±0.2 | 13.0 min | 60.30 | 39.40 | 2377.80 | 3000±25% | 4200±25% | 15.00 |
| PQ21/20 | 1 | 21.3±0.40 | 10.5±0.15 | 14.0±0.40 | 8.8±0.20 | 18.70 min | 7.7±0.2 | 13.0 min | 60.60 | 48.20 | 2922.20 | 2500±25% | 3200±25% | 17.80 |
| PQ22/16 | 1 | 22.2±0.40 | 8.3±0.15 | 14.0±0.40 | 8.8±0.20 | 19.50 min | 5.5±0.2 | 14.3 min | 58.00 | 40.50 | 2349.00 | 3000±25% | 4000±25% | 15.00 |
| PQ22/20 | 1 | 22.2±0.40 | 10.5±0.15 | 14.0±0.40 | 8.8±0.20 | 19.50 min | 7.7±0.2 | 14.3 min | 57.42 | 49.54 | 2844.59 | 2500±25% | 3000±25% | 17.50 |
| PQ25/17 | 6 | 25.0±0.40 | 8.50±0.15 | 18.0±0.30 | 11.0±0.20 | 22.1±0.40 | 5.5±0.2 | 16.8 min | 95.80 | 44.50 | 4263.00 | 5300±25% | 6500±25% | 24.10 |
| PQ26/20 | 1 | 26.5±0.45 | 10.35±0.15 | 19.0±0.45 | 12.0±0.20 | 22.5±0.45 | 6.±0.2 | 15.5 min | 119.00 | 46.30 | 5490.00 | 5250±25% | 6400±25% | 34.70 |
| PQ26/25 | 1 | 26.5±0.45 | 12.55±0.15 | 19.0±0.45 | 12.0±0.20 | 22.5±0.45 | 8.2±0.2 | 15.5 min | 118.00 | 55.50 | 6530.00 | 4800±25% | 6000±25% | 40.50 |
| PQ26/28 | 1 | 26.5±0.45 | 14.0±0.15 | 19.0±0.45 | 12.0±0.20 | 22.5±0.45 | 9.8±0.2 | 15.5 min | 118.00 | 61.00 | 7198.00 | 4600±25% | 5500±25% | 43.30 |
| PQ26/30 | 1 | 26.5±0.45 | 15.0±0.20 | 19.0±0.45 | 12.0±0.20 | 22.5±0.45 | 10.7±0.2 | 15.5 min | 118.00 | 64.70 | 7635.00 | 4500±25% | 5500±25% | 45.40 |
| PQ26/20-1 | 1 | 26.6+0.6-0.2 | 10.35±0.15 | 19.0±0.45 | 12.0±0.20 | 22.60 min | 6.±0.2 | 15.8 min | 117.00 | 46.30 | 5417.10 | 5500±25% | 6500±25% | 34.60 |
| PQ26/20-3 | 1 | 26.5±0.45 | 10.07±0.15 | 19.0±0.45 | 12.0±0.20 | 22.5±0.45 | 5.75±0.2 | 16.5±0.50 | 119.00 | 46.30 | 5509.70 | 5250±25% | 6400±25% | 34.60 |
| PQ26/25-3 | 1 | 26.5±0.45 | 12.37±0.15 | 19.0±0.45 | 12.0±0.20 | 22.5±0.45 | 8.05±0.2 | 16.5±0.50 | 118.00 | 55.50 | 6549.00 | 4600±25% | 5500±25% | 40.00 |
| PQ26/20-4 | 2 | 26.8±0.45 | 10.45±0.15 | 19.0±0.46 | 12.0±0.20 | 22.95±0.50 | 6.1 ±0.2 | 17.5±0.5 | 117.60 | 47.11 | 5540.20 | 5400±25% | 6500±25% | 34.30 |
| PQ26/25-4 | 2 | 26.8±0.45 | 12.50±0.15 | 19.0±0.46 | 12±0.2 | 22.95±0.5 | 8.1 ±0.2 | 17.5±0.5 | 117.90 | 55.16 | 6503.36 | 4600±25% | 5800±25% | 40.00 |
| PQ27/20A | 1 | 27.5±0.45 | 10.35±0.15 | 19.0±0.45 | 12±0.2 | 22.7 min | 6±0.2 | 17.2 min | 120.80 | 47.00 | 5670.80 | 5200±25% | 6500±25% | 34.90 |
| PQ27/25A | 1 | 27.5±0.45 | 12.55±0.15 | 19.0±0.45 | 12±0.2 | 22.7 min | 8.2±0.2 | 17.2 min | 120.80 | 55.80 | 6728.60 | 4500±25% | 5500±25% | 40.90 |
| PQ27/30A | 1 | 27.5±0.45 | 15.15±0.15 | 19.0±0.45 | 12±0.2 | 22.7 min | 10.65±0.2 | 17.2 min | 120.80 | 65.80 | 7948.64 | 4000±25% | 5000±25% | 46.00 |
| PQ27/20-2 | 1 | 27.5±0.45 | 10.35±0.15 | 19.0±0.45 | 12.1±0.2 | 23.1 min | 6±0.2 | 17.20min | 114.90 | 47.50 | 5457.70 | 5200±25% | 6500±25% | 33.90 |
| PQ27/25-2 | 1 | 27.5±0.45 | 12.55±0.15 | 19.0±0.45 | 12.1±0.2 | 23.1 min | 8.2±0.2 | 17.2 min | 114.70 | 56.00 | 6423.20 | 4500±25% | 5500±25% | 38.80 |
| PQ27/20-4 | 1 | 27.1±0.50 | 10.2±0.15 | 19.0±0.45 | 11.85±0.2 | 23 min | 6.05±0.2 | 17.0 min | 112.07 | 47.14 | 5283.00 | 5000±25% | 6500±25% | 32.80 |
| PQ27/20-5 | 1 | 27.0±0.50 | 10.2±0.15 | 18.8±0.45 | 11.8±0.2 | 23.8 min | 6±0.2 | 17.8 min | 109.40 | 47.41 | 5186.65 | 4500±25% | 5500±25% | 32.40 |
| PQ32/20A | 1 | 32.0±0.50 | 10.50±0.20 | 22.0±0.50 | 13.45±0.25 | 27.5±0.5 | 6±0.2 | 20.0 min | 161.00 | 55.40 | 8920.00 | 5500±25% | 6800±25% | 47.20 |
| PQ32/25A | 1 | 32.0±0.50 | 12.6±0.20 | 22.0±0.50 | 13.45±0.25 | 27.5±0.5 | 8.2±0.2 | 20.0 min | 160.00 | 65.00 | 10400.00 | 5000±25% | 6250±25% | 53.60 |
| PQ32/27A | 1 | 32.0±0.50 | 13.40±0.20 | 22.0±0.50 | 13.45±0.25 | 27.5±0.5 | 8.9±0.2 | 20.0 min | 161.00 | 68.20 | 10980.20 | 5000±25% | 6200±25% | 56.50 |
| PQ32/30A | 1 | 32.0±0.50 | 15.4±0.15 | 22.0±0.50 | 13.45±0.25 | 27.5±0.5 | 10.9±0.2 | 20.0 min | 161.00 | 78.08 | 12571.50 | 4600±25% | 6000±25% | 61.50 |
| PQ32/20 | 1 | 32.0±0.50 | 10.55±0.15 | 22.0±0.50 | 13.45±0.25 | 27.5±0.5 | 6.±0.2 | 19.0 min | 161.00 | 58.50 | 9420.00 | 5500±25% | 6800±25% | 47.50 |
| PQ32/25 | 1 | 32.0±0.50 | 12.6±0.20 | 22.0±0.50 | 13.45±0.25 | 27.5±0.5 | 8.2±0.2 | 19.0 min | 160.80 | 62.70 | 10096.90 | 5000±25% | 6250±25% | 53.30 |
| PQ32/30 | 1 | 32.0±0.50 | 15.3±0.15 | 22.0±0.50 | 13.45±0.25 | 27.5±0.5 | 10.75±0.2 | 19.0 min | 161.00 | 74.60 | 12000.00 | 4500±25% | 6000±25% | 61.88 |
| PQ32/35A | 1 | 32.0±0.50 | 17.8±0.15 | 22.0±0.50 | 13.45±0.25 | 27.5±0.5 | 13.25±0.2 | 20.0 min | 161.00 | 86.55 | 13934.20 | 4200±25% | 5500±25% | 69.80 |
| PQ32/50.36A | 1 | 32.0±0.50 | 25.18±0.15 | 22.0±0.50 | 13.45±0.25 | 27.5±0.5 | 20.65±0.2 | 20.0 min | 161.50 | 119.70 | 19331.55 | 3200±25% | 4000±25% | 92.50 |
| PQ33/21 | 1 | 33.0±0.50 | 10.6±0.20 | 21.5±0.30 | 13±0.3 | 28.5 min | 6.3±0.2 | 22.3 min | 142.00 | 58.20 | 8264.40 | 5500±25% | 6800±25% | 43.90 |
| PQ33/21A | 1 | 33.2±0.50 | 10.60±0.20 | 22.0±0.50 | 13.45±0.25 | 28.1 min | 6.3±0.3 | 20.5 min | 159.20 | 57.38 | 9134.90 | 6000±25% | 7000±25% | 47.70 |
| PQ33/25A | 1 | 33.2±0.50 | 12.60±0.20 | 22.0±0.50 | 13.45±0.25 | 28.1 min | 8.3±0.3 | 20.5 min | 160.00 | 66.12 | 10579.20 | 5500±25% | 6800±25% | 53.30 |
| PQ33/30A | 1 | 33.2±0.50 | 15.30±0.20 | 22.0±0.50 | 13.45±0.25 | 28.1 min | 11±0.3 | 20.5 min | 160.80 | 77.92 | 12529.54 | 4600±25% | 6000±25% | 61.80 |
| PQ33/35A | 1 | 33.2±0.50 | 17.8±0.20 | 22.0±0.50 | 13.45±0.25 | 28.1 min | 13.25±0.3 | 20.5 min | 161.00 | 88.40 | 14232.40 | 4200±25% | 5500±25% | 70.70 |
| PQ34/14.8 | 3 | 34.0±0.60 | 7.35±0.15 | 29.00±0.6 | 20±0.3 | 26.70min | 3±0.2 | G:8.90min | 276.90 | 46.17 | 12785.10 | - | 18000±25% | 63.70 |
| H:6.5+0.3/-0 | ||||||||||||||
| PQ35/25 | 1 | 35.2±0.60 | 12.55±0.20 | 26.0±0.50 | 14.3±0.3 | 31.50 min | 7.65±0.30 | 23.5 min | 181.40 | 67.00 | 12153.80 | 6000±25% | 7200±25% | 67.80 |
| PQ35/30 | 1 | 35.2±0.60 | 15.0±0.20 | 26.0±0.50 | 14.3±0.3 | 31.50 min | 10.10±0.20 | 23.5 min | 181.40 | 77.80 | 14112.92 | 5000±25% | 6800±25% | 71.30 |
| PQ35/35 | 1 | 35.2±0.60 | 17.5±0.20 | 26.0±0.50 | 14.3±0.3 | 31.50 min | 12.60±0.30 | 23.5 min | 181.40 | 88.80 | 16108.32 | 4800±25% | 6000±25% | 78.90 |
| PQ35/40 | 1 | 35.2±0.60 | 20.0±0.20 | 26.0±0.50 | 14.3±0.3 | 31.50 min | 15.10±0.30 | 23.5 min | 181.40 | 99.80 | 18103.72 | 4500±25% | 5800±25% | 90.00 |
| PQ38/13 | 2 | 38.3±0.50 | 6.55±0.15 | 21.32±0.40 | 14.3±0.25 | 33.30 min | 3.45±0.20 | 26.9 min | 131.90 | 47.30 | 6248.80 | 6500±25% | 8000±25% | 36.00 |
| PQ40/13 | 2 | 40.5±0.65 | 6.85±0.20 | 21.0±0.40 | 14.3±0.25 | 33.00 min | 3.75±0.25 | 27.0 min | 139.40 | 48.50 | 6767.30 | 6500±25% | 8000±25% | 40.20 |
| PQ40/25 | 1 | 40.6±0.70 | 12.5±0.20 | 28.0±0.50 | 15±0.35 | 36.10 min | 7.35±0.20 | 28.0 min | 205.20 | 71.00 | 14569.20 | 6500±25% | 8000±25% | 74.10 |
| PQ40/30 | 1 | 40.6±0.70 | 15.0±0.20 | 28.0±0.50 | 15±0.35 | 36.10 min | 9.85±0.20 | 28.0 min | 205.20 | 82.10 | 16846.92 | 5800±25% | 6800±25% | 84.30 |
| PQ40/35 | 1 | 40.6±0.70 | 17.5±0.20 | 28.0±0.50 | 15±0.35 | 36.10 min | 12.35±0.20 | 28.0 min | 205.20 | 93.05 | 19093.86 | 4800±25% | 6000±25% | 94.50 |
| PQ40/40 | 1 | 40.6±0.70 | 20.2±0.20 | 28.0±0.50 | 15±0.35 | 36.1 min | 15.05±0.2 | 28.0 min | 205.2 | 104.9 | 21525.48 | 4300±25% | 5500±25% | 104.70 |
| PQ45/45 | 1 | 45.0±0.80 | 22.5±0.30 | 30.0±0.50 | 17±0.3 | 39.8 min | 16.50±0.3 | 29.2 min | 263.5 | 115.1 | 30328.85 | 5500±25% | 7000±25% | 147.70 |
| PQ46/44 | 7 | 46.0±0.85 | 22.0±0.3 | 28.0±0.5 | D1=20±0.35 | 35.7 min | 14.00±0.3 | 29.7 min | 337.2 | 95.6 | 32236.32 | 8000±25% | 11000±25% | 181.20 |
| D2=17.5±0.3 | ||||||||||||||
| PQ50/30 | 1 | 50.3±0.7 | 15.20±0.25 | 32.0±0.60 | 20±0.35 | 43.6 min | 8.3±0.3 | 33 min | 316.3 | 76.4 | 24165.32 | 8500±25% | 12000±25% | 152.50 |
| PQ50/35 | 1 | 50.3±0.7 | 17.50±0.25 | 32.0±0.60 | 20±0.35 | 43.6 min | 10.60±0.3 | 33 min | 316.4 | 85.6 | 27083.84 | 8500±25% | 10000±25% | 166.80 |
| PQ50/40 | 1 | 50.3±0.7 | 20.2±0.25 | 32.0±0.60 | 20±0.35 | 43.6 min | 13.30±0.3 | 33 min | 316.4 | 96.3 | 30469.32 | 8000±25% | 9500±25% | 184.30 |
| PQ50/45 | 1 | 50.3±0.7 | 22.5±0.25 | 32.0±0.60 | 20±0.35 | 43.6 min | 15.6±0.3 | 33 min | 316.5 | 105.5 | 33390.75 | 7500±25% | 9000±25% | 198.60 |
| PQ50/50 | 1 | 50.3±0.7 | 25.0±0.25 | 32.0±0.60 | 20±0.35 | 43.6 min | 18.1±0.3 | 33 min | 316.5 | 115.5 | 36555.75 | 6900±25% | 8500±25% | 218.00 |
| PQ51/34 | 5 | 51.5±0.7 | 17.00±0.20 | 32.5±0.60 | D1=21.9±0.35 | 44.1 min | 10.7±0.25 | 33.5 min | 339.7 | 84.5 | 28704.65 | 12000±25% | 15000±25% | 173.20 |
| D1=20.9±0.35 | ||||||||||||||
| PQ60/34 | 2 | 60.5±1 | 17.1±0.20 | 38.0±0.70 | 25.3±0.5 | 51.7 min | 9.9±0.2 | 39.7 min | 453.5 | 88.5 | 40134.75 | 11000±25% | 14000±25% | 239.50 |
| PQ61/56 | 5 | 61+1.2/-0.9 | 28.0±0.30 | 30.0±0.70 | 25±0.5 | 52.1 min | 20±0.30 | 41 min | 390 | 128.5 | 50115 | 8800±25% | 11000±25% | 327.00 |
| PQ65/50 | 1 | 65±1 | 25.0±0.30 | 40.0±0.70 | 26±0.5 | 53±1 | 16±0.30 | 40±0.8 | 576.5 | 116 | 66874 | 11000±25% | 14000±25% | 404.00 |
| PQ65/60 | 1 | 65±1 | 30.0±0.30 | 40.0±0.70 | 26±0.5 | 53±1 | 21±0.3 | 40±0.8 | 576.5 | 135.5 | 78115.75 | 9800±25% | 12500±25% | 465.60 |
| PQ79/24.8 | 8 | 79±1 | 12.4±0.20 | 18.0±0.40 | 12±0.3 | 74.4±1 | H=5±0.3 | 69.4±1 | 113 | - | - | 5200±25% | 6500±25% | 105.50 |
| PQ138/23 | 9 | 138±2.5 | 11.5±0.30 | 32.0±0.80 | 20.0±0.60 | 132±2.5 | H=4.5±0.3 | 32 min | 314 | - | - | 8800±25% | 11000±25% | |
| Note: The test conditions for AL value are: 1KHz, 0.3V, and 10Ts. The above are the standard specifications of our company, and they can be designed according to the special requirements of customers. | |||||||||||
|
|
PQ27Type Soft Magnetic Mn-Zn Power Transformer Ferrite Core Images |